Schematic assembly drawing symbols are a fundamental part of technical drawing and engineering. These symbols are used to represent various components and their relationships in a diagram, making it easier to understand and assemble complex systems. For students in higher grades, understanding these symbols is crucial as it lays the foundation for more advanced concepts in engineering and technology.
The use of schematic assembly drawing symbols and meanings worksheets is an effective way to introduce students to these concepts. Worksheets provide a hands-on approach, allowing students to practice identifying and using symbols correctly. This not only improves their technical drawing skills but also enhances their problem-solving abilities. By incorporating these worksheets into the curriculum, educators can ensure that students develop a solid understanding of schematic assembly drawing symbols and their applications.
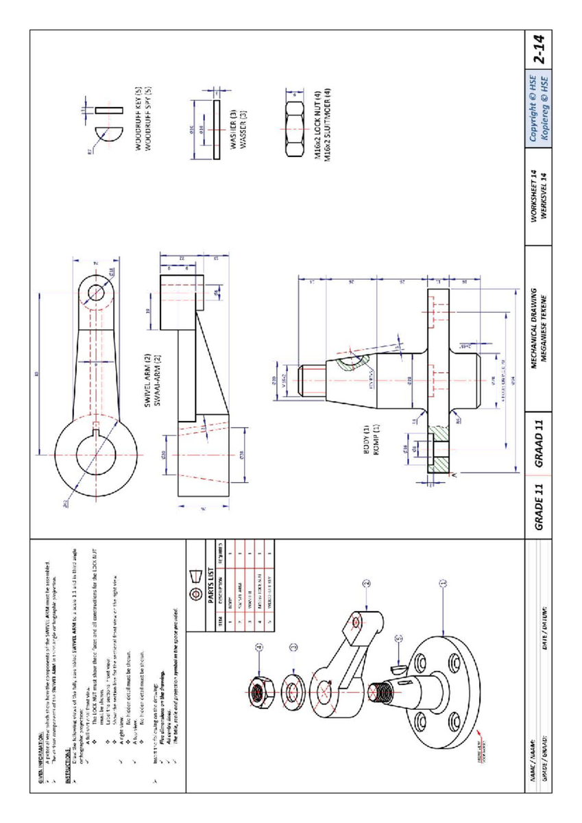
Mechanical Drawing Activities Assembly Of SWIVEL ARM CABLE TROLLEY BELT Studocu
Understanding Schematic Assembly Drawing Symbols
Understanding schematic assembly drawing symbols requires a thorough introduction to the basics. This includes recognizing the different types of symbols used for components such as resistors, capacitors, and wires. Each symbol has a specific meaning and is used in a particular context within a schematic diagram. By focusing on the meanings behind these symbols, students can better comprehend how they are used to represent the assembly of electronic circuits and systems.
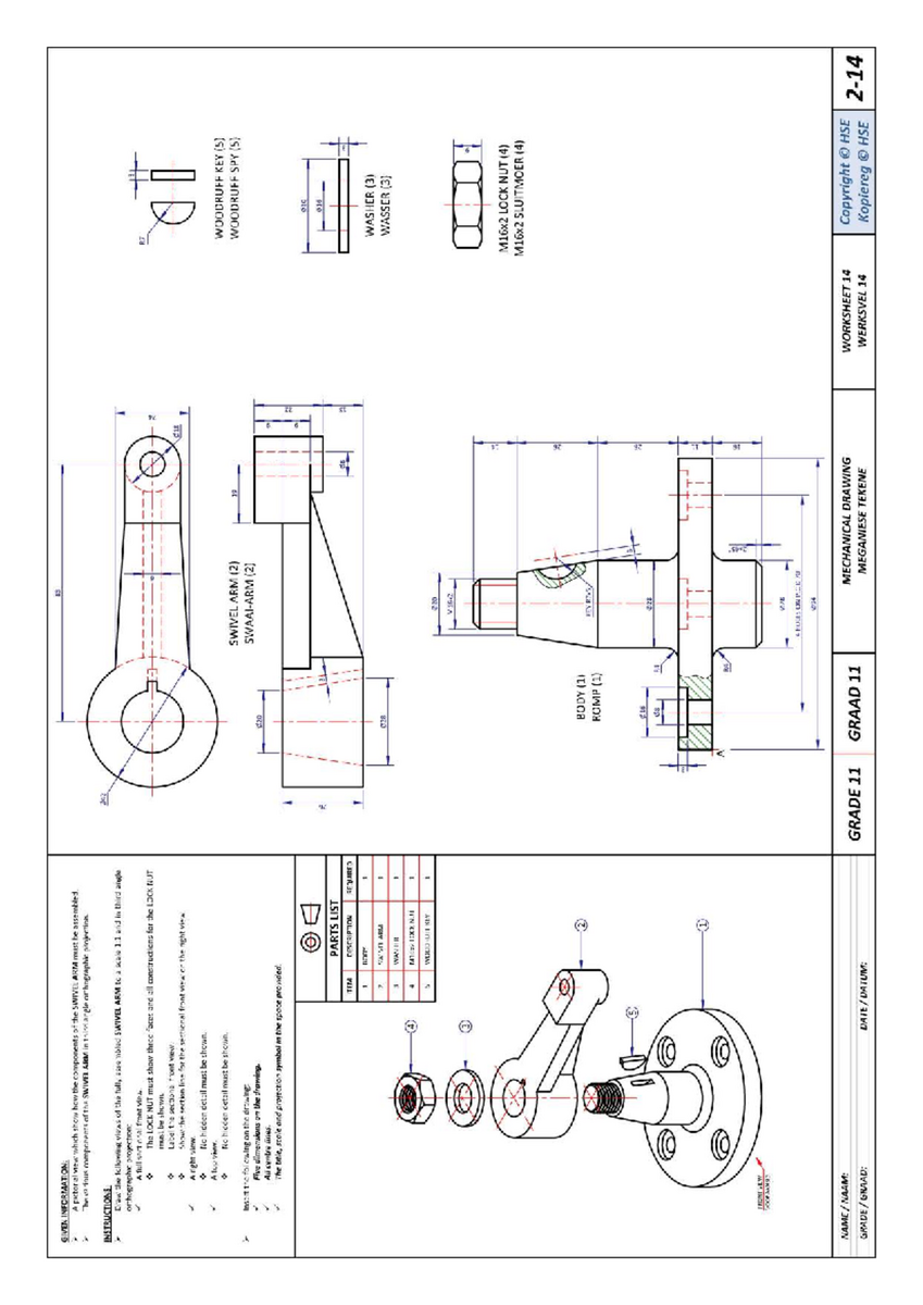
Mechanical Drawing Activities Assembly Of SWIVEL ARM CABLE TROLLEY BELT Studocu
Importance of Schematic Assembly Drawing Symbols and Meanings Worksheets
The importance of schematic assembly drawing symbols and meanings worksheets cannot be overstated. These educational tools are designed to help students grasp complex concepts in a simplified manner. By working through worksheets, students can develop their skills in interpreting and creating schematic diagrams, which is a vital skill for anyone interested in pursuing a career in engineering or a related field. Moreover, these worksheets can be tailored to different grade levels, ensuring that the content is appropriate and challenging for the students.
Implementing Schematic Assembly Drawing Symbols in Grade-Level Curriculum
Implementing schematic assembly drawing symbols in the grade-level curriculum involves more than just introducing the symbols themselves. It requires a structured approach that starts with the basics and gradually moves on to more complex concepts. Educators can use a variety of teaching methods, including lectures, group activities, and individual projects, to ensure that students engage with the material. Additionally, incorporating real-world examples of how schematic assembly drawing symbols are used in industries can motivate students and provide them with a clearer understanding of the practical applications of these symbols.
5 Gr 9 Electricity Drawing Identifying Circuits Worksheet Studocu
In conclusion, schematic assembly drawing symbols and meanings worksheets are invaluable resources for grade-level students. They offer a comprehensive and engaging way to learn about technical drawing and engineering principles. By understanding and applying these symbols, students can develop a strong foundation in STEM subjects, preparing them for further education and careers in these fields. As educators continue to seek innovative ways to teach complex concepts, the use of schematic assembly drawing symbols and meanings worksheets will remain a pivotal tool in the educational arsenal.
Series Parallel Circuits BCHydro Power Smart For Schools
Quiz Worksheet Electrical Schematic Symbols Study




